|
Есть вопросы? Наши квалифицированные специалисты готовы проконсультировать вас. Пишите свои вопросы или отправляйте заявку на нашу почту: gt@gigaterm.ru |
Задать вопрос
|
Цена:
Цена по запросу
Нашли дешевле?
Самовывоз - бесплатно
Доставка - по тарифу ТК
Доставка - по тарифу ТК
Характеристики
Характеристики
—
Технические характеристики датчика ДДМ-03Т
| Предельные значения выходного сигнала постоянного тока, мА | (4 – 20) |
| Напряжение питания датчика, постоянный ток, В | 9 - 36 |
| Нагрузочное сопротивление датчика должно быть в пределах:
- при питании постоянным током напряжением 9 В, Ом - при питании постоянным током напряжением 24 В, Ом - при питании постоянным током напряжением 36 В, Ом |
(от 1 до 220)
(от 1 до 500)
(от 1 до 750)
|
| Предел допускаемой основной погрешности, не более, % | ±0,5 |
| Дополнительная температурная погрешность на каждые 10 °С изменения температуры в пределах рабочего диапазона %, не более | ±0,45 |
| Потребляемая датчиком мощность, не более, Вт | 0,6 |
| Климатическое исполнение УХЛ для категории размещения 3.1 по ГОСТ 15150-69, но для работы при температуре, °С | (от -40 до +85) |
| По устойчивости к механическим воздействиям по ГОСТ Р 52931-2008 | группа № 3 |
| Степень защиты по ГОСТ 14254-96 | IP65 |
| Наработка на отказ, ч. | 80000 |
| Масса, не более, кг | 0,5 |
| Габаритные размеры, не более, мм | 100×54×34 |
| Межповерочный интервал | 4 года |
Исполнения
| № п/п | Наименование | Тип | Верхний предел
измерений, кПа | Перегрузка, кПа | Рабочая среда |
|---|---|---|---|---|---|
| 1 | Датчик избыточного давления
с электрическим выходным сигналом | ДДМ-03Т-400 ДИ | 400 | 800 | Газ, жидкость |
| 2 | ДДМ-03Т-600 ДИ | 600 | 1200 | ||
| 3 | ДДМ-03Т-1000 ДИ | 1000 | 2000 | ||
| 4 | ДДМ-03Т-1600 ДИ | 1600 | 3200 | ||
| 5 | ДДМ-03Т-2500 ДИ | 2500 | 5000 |
Купить ДДМ-03Т, коммунальный датчик избыточного давления с электрическим выходным сигналом по цене производителя
Назначение
Для преобразования избыточного давления воздуха, нейтральных газов, воды, масла в стандартный токовый сигнал (4-20) мА.
Используется для работы в системах автоматического контроля, регулирования и управления технологическими процессами в теплоэнергетике, системах вентиляции и других отраслях.
Поверка осуществляется в соответствии с документом МИ 1997-89 «ГСИ. Преобразователи давления измерительные. Методика поверки».
Преимущества
- Межповерочный интервал – 4 года.
- Идеально подходит для применения на тепловых пунктах и тепловычислителях.
- Высокий класс точности 0,5%
Схема внешних подключений

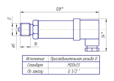
Габаритные и установочные размеры

Технические характеристики датчика ДДМ-03Т
| Предельные значения выходного сигнала постоянного тока, мА | (4 – 20) |
| Напряжение питания датчика, постоянный ток, В | 9 - 36 |
| Нагрузочное сопротивление датчика должно быть в пределах:
- при питании постоянным током напряжением 9 В, Ом - при питании постоянным током напряжением 24 В, Ом - при питании постоянным током напряжением 36 В, Ом |
(от 1 до 220)
(от 1 до 500)
(от 1 до 750)
|
| Предел допускаемой основной погрешности, не более, % | ±0,5 |
| Дополнительная температурная погрешность на каждые 10 °С изменения температуры в пределах рабочего диапазона %, не более | ±0,45 |
| Потребляемая датчиком мощность, не более, Вт | 0,6 |
| Климатическое исполнение УХЛ для категории размещения 3.1 по ГОСТ 15150-69, но для работы при температуре, °С | (от -40 до +85) |
| По устойчивости к механическим воздействиям по ГОСТ Р 52931-2008 | группа № 3 |
| Степень защиты по ГОСТ 14254-96 | IP65 |
| Наработка на отказ, ч. | 80000 |
| Масса, не более, кг | 0,5 |
| Габаритные размеры, не более, мм | 100×54×34 |
| Межповерочный интервал | 4 года |
Исполнения
| № п/п | Наименование | Тип | Верхний предел
измерений, кПа | Перегрузка, кПа | Рабочая среда |
|---|---|---|---|---|---|
| 1 | Датчик избыточного давления
с электрическим выходным сигналом | ДДМ-03Т-400 ДИ | 400 | 800 | Газ, жидкость |
| 2 | ДДМ-03Т-600 ДИ | 600 | 1200 | ||
| 3 | ДДМ-03Т-1000 ДИ | 1000 | 2000 | ||
| 4 | ДДМ-03Т-1600 ДИ | 1600 | 3200 | ||
| 5 | ДДМ-03Т-2500 ДИ | 2500 | 5000 |
Отзывы
Оставить отзыв
Загрузка отзывов...

